ALERT ** WELCOME to our New Website. Please be patient with us as we are still working on it. Feel free to call us if you have any questions. ** ALERT
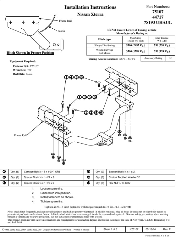
Round Tube Max-Frame Class III Trailer Hitch; Rear; 2 in. Receiver; 350/3500 lbs. Weight Carrying [Tongue Weight/Gross Trailer Weight];
Draw-Tite custom-fit hitches are built according to manufacturer vehicle weight specifications and model year to ensure a perfect fit and top towing performance. Featuring solid all-welded construction for maximum strength and safety, every hitch meets and exceeds industry standards. 2" Square Receiver Tube Opening Max-Frame receivers are designed for trucks, vans and sport utility vehicles Neat Appearance, All Frame Attachments E-Coat Base w/ Black Powder Coat Finish Rated up to 3,500 lbs. (GTW) Weight Carrying (WC)Rated up to 5,500 lbs. (GTW) Weight Distributing (WD) Solid All-Welded Construction for Maximum Strength and Safety Custom Built According to Manufacturer & Model Year Ensures Perfect Fit and Top Towing Performance Computer-Aided Design and Fatigue Stress Testing Designed to Withstand Road Abuse Within Specified Capacities Backed by a Nationwide Limited Lifetime Warranty
  • Round Tube Max-Frame Class III Trailer Hitch

Information:

Round Tube Max-Frame Class III Trailer Hitch

Application Summary:

Year Make/Model
2000-2004 Nissan Xterra
Attributes
Country of Origin (Primary) MX
Emission Code Legal US
Gross Trailer Weight 3500 lbs.
Gross Trailer Weight (lbs.) 3500
Harmonized Tariff Code (Schedule B) 8708998175
Hazardous Material Code N
Life Cycle Status Code Available to Order
NAFTA Preference Criterion Code B
Position Rear
SDR Required Flag N
GTIN 00742512751079

Write a review.

Note: HTML is not translated.
    Bad           Good